RCBIG Logo
  歡迎您:遊客 [登入註冊  RCBIG同樂會 論壇選項

RCBIG大腳車俱樂部 遙控電子技術專欄

頁碼:[ 1 ]      本帖有 610 位閱讀者
 『帖子主題』請問這樣的充電方式是否可行??
 用戶:alanlinx 離線  編輯  引用  回覆 作   者

小圖示『請問這樣的充電方式是否可行??』
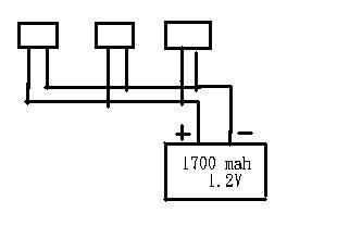
假如有一個充電器是100ma輸出
那充一個1700mah的電池要17hr
那是否可以把3個100ma的充電器並聯在一起…然後充那1700mah的電池呢??





看到alanlinx或邪神掠奪者和阿州都是我喔~
出沒於台中干城/大里橋
常用車種:暴走,revo,戰馬,小惡龍
遙控器:左岸2.4G
引擎:禾寶銀/藍頭8PTurbo,GO5+2,JP-B5T
排氣管:JP-3/3016硬陽加速管…
blog:http://www.wretch.cc/blog/alanlinx
 用戶:阿國 | 離線  編輯  引用  回覆 A 19

表情
=.= 會修抖..一台充3顆ok 3台充一顆 等火燒


2008/1/13 下午9:28刪除
 用戶:alanlinx | 離線  編輯  引用  回覆 A 18

表情
該內容引用 阿國 在 2008/1/13 下午 09:28:44 發表的內容:
=.= 會修抖..一台充3顆ok 3台充一顆 等火燒


是喔…
我朋友那有3個原廠配的電夾充電器

輸出都是100ma

他要來充電夾的~我是覺得這樣應該可行…
按此在新窗口瀏覽圖片
看來還是不要好了…




看到alanlinx或邪神掠奪者和阿州都是我喔~
出沒於台中干城/大里橋
常用車種:暴走,revo,戰馬,小惡龍
遙控器:左岸2.4G
引擎:禾寶銀/藍頭8PTurbo,GO5+2,JP-B5T
排氣管:JP-3/3016硬陽加速管…
blog:http://www.wretch.cc/blog/alanlinx
2008/1/13 下午10:37刪除
共有 1 頁, 2 張回覆帖 >頁碼:[ 1 ]
 

快 速 回 覆

用戶: 註冊 密碼: 忘記密碼?
[支援圖片網址或Youtube連結可直接嵌入顯示]